Strojové učení (7)
Využití NS při zpracování signálů (*)

Aplikace neuronových sítí (NS) při zpracování signálů
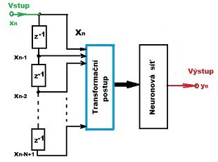
Velkými výhodami NS při zpracování signálů je schopnost učit se na příkladech a schopnost vystihnout nelineární závislosti. V praxi mohou být NS použité v signálních procesorech pro shlukování, klasifikace, predikce i filtrace. Vstupním vektorem NS je zde přímo vektor, tvořený úsekem posledních N hodnot signálu (x). Síť realizuje závislost výstupu na vektoru Xn = (xn, xn-1, ... , xn-N+1), to znamená, že na na vstup NS jsou připojovány vzorky postupně zpožďovaného vstupu. Záleží na aplikaci, zda je síť pevná, s předem nastavenými parametry podle nějakých pravidel, nebo zda se bude v průběhu zpracování signálu učit.

Využití NS pro filtraci signálu. Filtrace je zpravidla formulována jako zpracování, sloužící k výběru jistých složek ze směsi více signálů a k potlačení složek jiných. Lineární digitální filtry rozdělujeme na filtry s konečnou impulsní charakteristikou (FIR - finite impulse response) a filtry s nekonečnou impulsní charakteristikou (IIR - infinite impulse response). Zhruba řečeno, FIR filtry oproti IIR filtrům mají jednodušší strukturu a jsou vždy stabilní. Naproti tomu IIR filtry mohou být analogii k analogovým filtrům a požadovanou strmost lze docílit při nižším řádu než u FIR filtrů, ale není vždy zaručena stabilita.
Realizace IIR filtru použitím NS. Filtry s nekonečnou impulsní odezvou jsou vždy rekursivní, protože tuto vlastnost může zajistit pouze systém se zpětnými vazbami. Jde o filtr, u kterého kromě běžného vstupu je i výstup zpětně přiveden na vstup.

Nevýhodou u IIR filtrů je také, že zpravidla nelze předem odhadnout velikost chyby nebo stanovit interval spolehlivosti.
Efektivita učení a následně i využití sítě se často výrazně zvýší, jestliže na vstup sítě nepřivádíme originální signál, ale nějaký jeho popis v jiném než originálním prostoru, získaný vhodným transformačním způsobem. Vhodná transformace je tedy taková, která vede na možnou redukci dat bez podstatní ztráty důležitých informací. Nejběžněji používaném typem transformace je spektrální analýza a transformace do prostoru příznaků.

Zpracování signálů s využitím strojového učení lze využít v různých oblastech lidské činnosti - telekomunikace, zpracování výsledků měření a identifikaci systémů ve strojní, stavební, nebo chemické technice, v přírodních i humanitních vědách, v lékařství a biomedicínské oblasti, až po ekologické a ekonomické analýzy a futurologii.





