Logické obvody.
Krátký úvod k používání logických obvodů.
Malíř Adam

Logický obvod je integrované elektronické zařízení v nichž je hradlo, které dává na základě vstupů určitý výstup - digitální (0,1) či analogový (1, 2. 3.5).
Výstup může znegovat, přičíst nebo odečíst jednotku aj.

Hradlo NAND
Takovým příkladem může být hojně využívaný obvod CMOS, TTL a další.
Můžeme tak například zajistit diskrétní výstup, to znamená z analogového, to jest čísla na dva signály, tedy 0, 1.
Při spoji většího množství logických obvodů je od doby vstupu na výstupu určité časové zpoždění.
Při nepožadovaném vstupu nastává hazard (viz. Wikipedie).
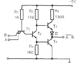
K ověřování návrhů, nebo kontrola při provozu či závadě se často využívá logických sond nebo analyzátorů (od těch nejjednodušších po složité druhy - zvukový signalizace, světelná atd.).


Schéma logické sondy, která je využívaná v praktickém měření CMOS.
Reference obrázků:
(belza.cz)





